Skip to main content Skip to search Skip to main navigation

Menu

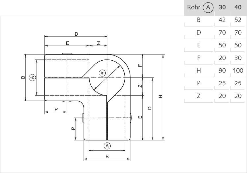
60 | Angle Connector

Colour: Pure white RAL 9010 Diameter: Ø 30
The tube connector connects three tubes, each at a 90° angle. By clamping two half-shells, two tube ends and one continuous tube are joined together to form a corner. The two tube ends are drilled through with Ø 9.0 mm.

Description

Product information "60 | Angle Connector"

Our universal tube connectors are made of high quality aluminium alloys in accordance with DIN EN 1706. We manufacture them for tube diameters of 30, 40 and 60 mm. We also manufacture special pipe connectors or other diameters upon request.

If desired, we can also supply all of the connectors with a polished, brushed or coated surface and V2A screw connections.

The universal pipe connectors offer a wide range of uses.

All-in-one system solutions

We don’t leave you to fend for yourself. In addition to supplying the tubing and connectors, our service includes consulting and a drawing if you wish, so that the assembly can be carried out quickly and easily. We would also be happy to provide you with pre-assembled components.

+49 2371 8080-0

We’re here ready to answer any questions about our universal-tubular-fittings.

Properties

Connection type: Angle Connector, Corner connector
Material: Aluminium alloys according to DIN EN 1706
Tube connector: Universal
Loading...
Upload in progress, please be patient ...